|

Summary
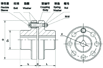
Flexible Couplings Model FCLis widely used for its compact designing,easy installation,convenient maintenance,small size and light weight.As long as the relative displacement between shafts is kept within the specified tolerance,B couplings will operate the best function and have a longer working life.Thus it is greatly demanded in medium and minor power transmission systems driven by moters,such as speed reducers,hoists,compressos,conveyers,spinning and weaving machines and ball mills. TK 彈性塊式聯軸器
Permittable relative displacement:
Radial displacement:0.2~0.6mm
Angle displacement:0°30′~1°30′
外形尺寸參數 Size chart & Parameter
概 述
FCL型彈性套柱銷聯軸器的特點是結構簡單,安裝方便,更換容易,尺寸小,重量輕,因而得到廣泛使用,如若安裝調整后能保持兩軸相對位移量在規定的范圍內,則聯軸器會有滿意的使用性能和較長的工作壽命。因此能廣泛用于載荷不大,由電動機驅動的各種中、小功率傳動軸系中,如減速機、起重機、壓縮機、輸送機、紡織機、卷揚機、球磨機等。
彈性套柱銷聯軸器的許用相對位移: 徑向位移:0.2~0.6mm 角位移:0°30′~1°30′
|
型號
Type
|
許用轉矩
Max torque
N.m
|
許用轉速
Max speed
r/min
|
D
|
D 1
|
d 1
|
L
|
C
|
n-M
|
重量
kg
|
|
FCL90
|
4
|
4000
|
90
|
35.5
|
11
|
28
|
3
|
4-M8×50
|
1.7
|
|
FCL100
|
10
|
4000
|
100
|
40
|
11
|
35.5
|
3
|
4-M10×56
|
2.3
|
|
FCL112
|
16
|
4000
|
112
|
45
|
13
|
40
|
3
|
4-M10×56
|
2.8
|
|
FCL125
|
25
|
4000
|
125
|
50
|
13
|
45
|
3
|
4-M12×64
|
4.0
|
|
FCL140
|
50
|
4000
|
140
|
63
|
13
|
50
|
3
|
6-M12×64
|
5.4
|
|
FCL160
|
110
|
4000
|
160
|
80
|
15
|
56
|
3
|
8-M12×64
|
8.0
|
|
FCL180
|
157
|
3500
|
180
|
90
|
15
|
63
|
3
|
8-M12×64
|
10.5
|
|
FCL200
|
245
|
3200
|
200
|
100
|
21
|
71
|
4
|
8-M20×85
|
16.2
|
|
FCL224
|
392
|
2850
|
224
|
112
|
21
|
80
|
4
|
8-M20×85
|
21.3
|
|
FCL220
|
618
|
2550
|
250
|
125
|
25
|
90
|
4
|
8-M24×110
|
31.6
|
|
FCL280
|
980
|
2300
|
280
|
140
|
34
|
100
|
4
|
8-M24×116
|
44.0
|
|
FCL315
|
1568
|
2050
|
315
|
160
|
41
|
112
|
4
|
10-M24×116
|
57.7
|
|
FCL355
|
2450
|
1800
|
355
|
180
|
60
|
125
|
5
|
8-M30×50
|
89.5
|
|
FCL400
|
3920
|
1600
|
400
|
200
|
60
|
125
|
5
|
10-M30×150
|
113
|
|
FCL450
|
6174
|
1400
|
450
|
224
|
65
|
140
|
5
|
12-M30×150
|
145
|
|
FCL560
|
9800
|
1150
|
560
|
250
|
85
|
160
|
5
|
14-M30×150
|
229
|
|
FCL630
|
15680
|
1000
|
630
|
280
|
95
|
180
|
5
|
18-M30×150
|
296
|
|