
咨詢熱線
15231779607
為滿足各種機械的更新改造及引進設備備件需要,我公司可以提供品種規格齊全的內齒形彈性聯軸器,本廠推出花鍵孔、錐孔、英制孔等一系列產品,并可根據用戶需要接受非標準訂貨......
電話:0317-8309526
聯系人:何總
地址:河北省滄州市
15231779607
NL內齒形彈性聯軸器
為滿足各種機械的更新改造及引進設備備件需要,我公司可以提供品種規格齊全的內齒形彈性聯軸器,本廠推出花鍵孔、錐孔、英制孔等一系列產品,并可根據用戶需要接受非標準訂貨。
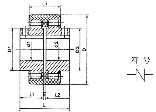
內齒形彈性聯軸器是目前國內的*新產品,在國外已經廣泛地被采用,NL型-尼龍內齒圈鼓形齒式聯軸器半聯軸器采用精密鑄造,鑄鐵HT20-40、鑄鋼ZG35Ⅱ、45號鋼,軸孔和鍵槽采用拉制成型,內齒形聯軸器彈性體外套可根據用戶使用要求選用各種硬度合成尼龍、增強鑄型尼龍彈性體等材料。NL內齒形彈性聯軸器普通尼龍外套進行了一系列的改進,采用高強玻纖尼龍66注塑成型,注塑溫度330C、壓力9MPA、時間4S,成型后進行1小時的熱處理、24小時的加濕處理,使其強度超出普通尼龍的3倍。該產品由機械委濟南鑄造鍛壓機械研究所設計,適用于軸間及的撓性傳動,允許較大的軸向徑向位移和角位移,且具有結構簡單、維修方便、拆裝容易、噪聲低、傳動功效損失小、使用壽命長等優點、倍受用戶歡迎。軸孔型式有圓柱形(Y)、圓錐形(Z)和短圓柱形(J)。軸孔和鍵槽按國家標準GB3852-83《聯軸器軸孔和鍵槽形式及尺寸》的規定加工。工作溫度為-20~+70℃。

TGL 型—尼龍內齒圈鼓形齒式聯軸器 NL型尼龍內齒圈彈性聯軸器
NL內齒形彈性聯軸器基本參數和主要尺寸
● 內齒形彈性聯軸器是目前國內的*新產品,在國外已經廣泛地被采用,該產品由機械委濟南鑄造鍛壓機械研究所設計,適用于軸間及的撓性傳動,允許較大的軸向徑向位移和角位移,且具有結構簡單、維修方便、拆裝容易、噪聲低、傳動功效損失小、使用壽命長等優點、倍受用戶歡迎。軸孔型式有圓柱形(Y)、圓錐形(Z)和短圓柱形(J)。軸孔和鍵槽按國家標準GB3852-83《聯軸器軸孔和鍵槽形式及尺寸》的規定加工。工作溫度為-20~+70℃。
●半聯軸器采用精密鑄造,鑄鐵HT20-40、鑄鋼ZG35Ⅱ,軸孔和鍵槽采用拉制成型,內齒形聯軸器彈性體外套可根據用戶使用要求選用各種硬度合成橡膠脂橡膠;增強鑄型尼龍彈性體等材料。為滿足各種機械的更新改造及引進設備備件需要,我公司可以提供品種規格齊全的內齒形彈性聯軸器,并可根據用戶需要接受非標準訂貨。液壓聯軸器

訂貨標記方法:
例如:NL4內齒彈性聯軸器(鍵槽按GB3852-83標準)
主動軸:d1=38 L1=80
從動軸:d2=30 L21=50
表示為NL4:38×80/30×50(非標注明鍵槽尺寸)
| 型號 |
公稱扭矩 Tn (N.M) |
許用轉速n (r/min) |
主要尺寸 (mm) | *大尺寸偏差 |
慣性扭矩 (KgC m 2 ) |
重量 (Kg ) |
||||||||
|
軸孔直徑 d1 d2 |
軸孔 長度 |
L | D |
D1 D2 |
E | L3 | 軸向(mm) | 徑向(mm) | 角度α° | |||||
| NL1 | 40 | 6000 | 6 8 10 |
16 20 25 32 |
37 45 55 69 |
40 |
26 | 4 | 34 | 2 | ±0.3 | 1° | 0.25 | 0.85 |
| 12 14 | ||||||||||||||
| NL2 | 100 | 6000 | 10 12 14 22 |
25 32 42 52 |
57 71 91 111 |
42 |
36 | 4 | 40 | 2 | ±0.4 | 1° | 0.92 | 1.7 |
| 16 18 20 24 | ||||||||||||||
| NL3 | 160 | 6000 | 20 22 24 | 52 62 |
113 133 |
66 |
44 | 4 | 46 | 2 | ±0.4 | 1° | 3.10 | 2.6 |
| 25 28 | ||||||||||||||
| NL4 | 250 | 6000 | 28 30 32 | 62 82 |
129 169 |
83 |
58 | 4 | 48 | 2 | ±0.4 | 1° | 8.69 | 3.6 |
| 35 38 | ||||||||||||||
| NL5 | 315 | 5000 | 32 35 38 | 82 112 |
169 229 |
93 |
68 | 4 | 50 | 3 | ±0.4 | 2° | 14.28 | 5.5 |
| 40 42 | ||||||||||||||
| NL6 | 400 | 5000 | 40 42 45 | 82 112 |
230 |
100 |
68 | 4 | 52 | 3 | ±0.4 | 2° | 18.34 | 6.8 |
| 48 | ||||||||||||||
| NL7 | 630 | 3600 | 45 48 50 | 82 112 |
229 |
115 |
80 | 4 | 60 | 3 | ±0.6 | 2° | 56.5 | 9.8 |
| 55 | ||||||||||||||
| NL8 | 1250 | 3600 | 48 50 55 | 112 142 |
229 289 |
140 |
96 | 4 | 72 | 3 | ±0.6 | 2° | 98.55 | 26.5 |
| 60 63 65 | ||||||||||||||
| NL9 | 2000 | 2000 | 60 63 65 | 142 172 |
295 351 |
175 |
124 | 6 | 93 | 4 | ±0.7 | 2° | 370.5 | 37.6 |
| 70 71 75 80 | ||||||||||||||
| NL10 | 3150 | 1800 | 70 71 75 80 |
142 172 212 |
292 352 432 |
220 |
157 | 8 | 110 | 4 | ±0.7 | 2° | 1156.8 | 55 |
全國免費咨詢熱線:15231779607
電話:0317-8223939
傳真:0317-8263317
郵箱:13603176160@163.com
地址:河北省泊頭市工業開發區
掃碼聯系我們