
咨詢熱線
15231779607
一般情況下, PGCLZ 型聯軸器 應與 GICLZ 型聯軸器 配對使用,外齒軸套端與中間軸聯接,兩端半聯軸器則分別與工作機軸和動力機軸聯接。由于制動盤與半聯軸器連接在一起,制動盤的重......
電話:0317-8309526
聯系人:何總
地址:河北省滄州市
15231779607
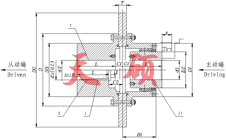
一般情況下,PGCLZ型聯軸器應與GICLZ型聯軸器配對使用,外齒軸套端與中間軸聯接,兩端半聯軸器則分別與工作機軸和動力機軸聯接。由于制動盤與半聯軸器連接在一起,制動盤的重量以及工作制動負荷與振動完全由半聯軸器承受,改善了制動時鼓形齒的嚙合性能,因此適用于重載場合,傳遞公稱轉矩為630~112000 N·m。
| PGCLZ鼓形齒式聯軸器的結構型式 |
![]() |
全國免費咨詢熱線:15231779607
電話:0317-8223939
傳真:0317-8263317
郵箱:13603176160@163.com
地址:河北省泊頭市工業開發區
掃碼聯系我們