
咨詢熱線
15231779607
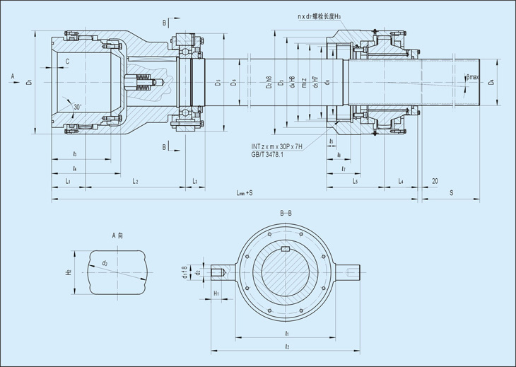
伸縮型鼓型齒式聯軸器具有少量軸線偏移補償性能,不能緩沖、減振。外形尺寸小,理論上傳遞轉矩大,需要潤滑、密封,但噪聲較大、價格貴,用于聯接水平兩同軸線軸系傳動。用于低速、重載工況條件下聯接水平兩同軸線,如冶金機械、重型機械等。

GSL-F反裝長伸縮鼓形齒聯軸器的參數及主要尺寸:(JB/T 10540-2006) mm


注1:兩端的聯接尺寸(軋輥端連接尺寸和減速器端模數和齒數)是按*大結構尺寸給出的,當實際需要更改時,可在此范圍內進行調整。
注2:聯軸器*短長度的確定公式:Lmin=L1+L2+L3+L4+L5+L'(此表中,中間軸長度L'按0計算),實際安裝長度(含伸縮量)根據用戶的實際需要確定。
注3:表中的質量和轉動慣量是按Lmin 計算的近似值。
全國免費咨詢熱線:15231779607
電話:0317-8223939
傳真:0317-8263317
郵箱:13603176160@163.com
地址:河北省泊頭市工業開發區
掃碼聯系我們